ISO-CB+Pin型雙耳
氣缸
- DNC系列標準氣缸(ISO6431)
- DNG系列標準氣缸 (ISO15552)
- SI系列標準氣缸(ISO6431)
- SC/SU系列標準氣缸
- MB系列標準氣缸
- CA2系列標準氣缸
- XEN/XNEG 系列導桿氣缸
- MA6432系列迷你氣缸(ISO6432)
- MA系列迷你氣缸
- MAL系列迷你氣缸
- CM2系列迷你氣缸
- CJ2系列迷你氣缸
- ADVU系列薄型氣缸
- ADN系列薄型氣缸(ISO21287)
- SDA系列薄型氣缸
- ACQ系列薄型氣缸
- CQ2系列薄型氣缸
- CJP系列針型氣缸
- TN系列雙缸氣缸
- CXS系列雙缸氣缸
- CU系列自由安裝氣缸
- STM系列滑臺氣缸
- MGP系列帶導桿氣缸
- RSQ系列定程桿氣缸
- XCK 系列夾緊氣缸
- MSQ系列齒桿式回轉(zhuǎn)擺動氣缸
- CRQ2系列薄型齒條式旋轉(zhuǎn)擺動氣缸
- CRA1系列齒條式旋轉(zhuǎn)擺動氣缸
- XH系列氣動手指
- XHSH系列平行開閉型氣動手指
- SRC系列旋轉(zhuǎn)氣缸
- ACK系列轉(zhuǎn)角氣缸
- MXH系列小型直線導軌氣動滑臺
- MXS系列氣動滑臺
- MXQ系列氣動滑臺
- CRB2系列葉片式擺動氣缸
- MRHQ系列大型葉片式擺動氣缸
- MSUB高精度型葉片式擺動氣缸
- MU系列橢圓形活塞氣缸(桿不回轉(zhuǎn))
- CY3系列無桿氣缸
- 氣缸套件
- ISO標準氣缸附件
- 標準氣缸附件
- 迷你氣缸附件
- 氣缸管&活塞桿
- 磁性開關
- 油壓緩沖器
氣源處理件
換向閥
流體電磁閥
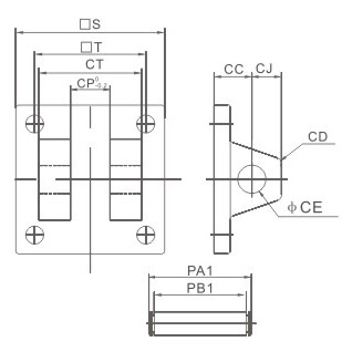
外形尺寸
| 符號/缸徑 | 32 | 40 | 50 | 63 | 80 | 100 | 125 | 160 | 200 |
| CC | 19 | 19 | 19 | 19 | 32 | 32 | 50 | 55 | 60 |
| CD | 5 | 5 | 3 | 2 | 8 | 8 | 25 | 30 | 30 |
| CE | 12 | 14 | 14 | 14 | 20 | 20 | 25 | 30 | 30 |
| CJ | 13 | 13 | 15 | 15 | 21 | 21 | 25 | 30 | 30 |
| CP | 16 | 20.5 | 20.3 | 20.3 | 32.3 | 32.3 | 70 | 90 | 90 |
| CT | 32 | 44 | 52 | 52 | 64 | 64 | 120 | 160 | 160 |
| PAI | 41 | 51.8 | 60.3 | 60.3 | 73.8 | 73.8 | 130 | 170 | 170 |
| PBI | 33.5 | 45.8 | 54 | 54 | 65.5 | 65.5 | 121.5 | 161.5 | 161.5 |
| S | 48 | 50 | 62 | 75 | 94 | 94 | 140 | 180 | 220 |
| T | 33 | 37 | 47 | 56 | 70 | 70 | 110 | 140 | 175 |



